суперласик что это такое В результате лучи света, попадающие на сетчатку, преломляются неравномерно, и человек вместо четкой картинки видит размытое двоящееся изображение. и кератоконуса Кератоконус— невоспалительное заболевание роговицы, при котором она постепенно истончается и принимает аномальную коническую форму. Кератоконус часто путают с миопией и астигматизмом Астигматизм— дефект зрения, связанный с неравномерной кривизной роговицы или нарушением формы хрусталика.
Главная » Интересные подборки про животных У кого-то большие пауки вызывают отвращение и ужас,
Мышь
Какими способами передаются возбудители заболеваний? Даже если человека никогда не кусала мышь, то это
кузнечик фото
«Выстрел в голову» «Новые рынки и продукты питания переориентируются на мелких букашек как здоровую
Мышь и монтажная пена
Вопрос о том, грызут ли мыши монтажную пену, актуален для всех, кто хочет использовать
Как выбрать отпугиватель от грызунов
Влияние ультразвука на вредителей Любой отпугиватель мышей и крыс издаёт ультразвук или излучает электромагнитные
Трудно найти более проблемных бытовых вредителей, чем крысы и мыши. Они переносят смертельно опасные
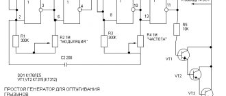
Схема генератора для отпугивания грызунов
Принцип действия Производители ультразвуковых отпугивателей утверждают, что приборы действуют на насекомых, благодаря специальным звуковым
Обработка от крыс
В последнее время крысы стали проблемой для городских жителей, после чего появляется необходимость в
Виды ловушек для комаров на улице Уничтожители комаров для улицы – это приспособления, принцип
'Средство "Голиаф
Появление мышей и крыс в квартире или собственном доме не сулит ничего хорошего. Ведь
Для любых предложений по сайту: agrocompany-kazan@cp9.ru